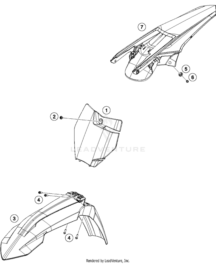
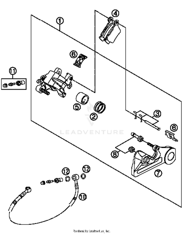
2017 KTM 350 SX-F - Chassis Pièces OEM | Recherche schéma d'assemblage Recherche de pièces OEM et inspecteur de diagrammes (Microfiche)
Liste des assemblages (23)
D
Aucun résultat avec le filtre de page appliqué: