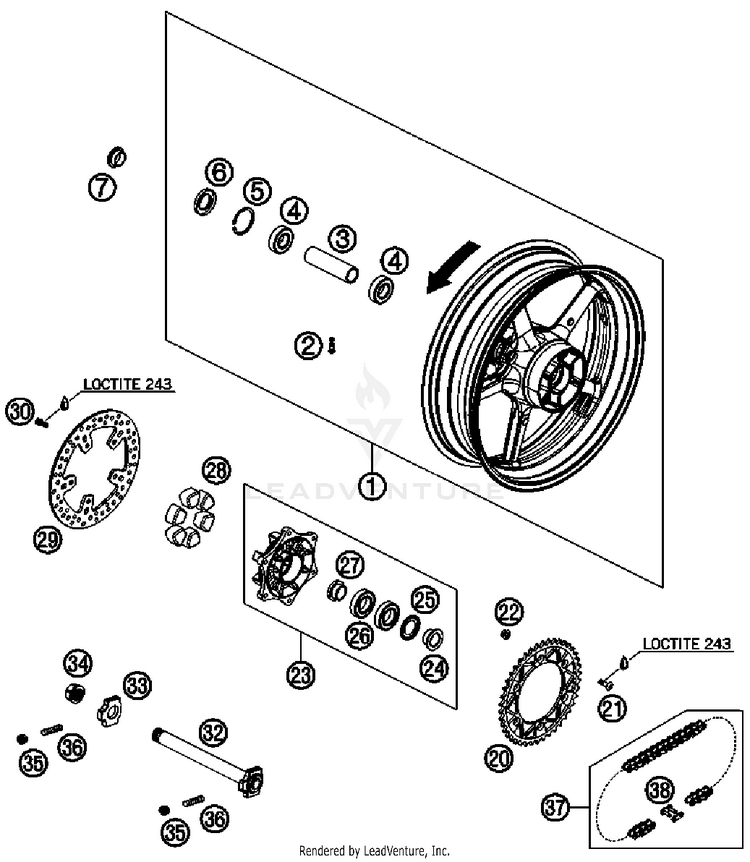
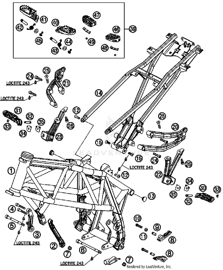
2008 KTM 690 Supermoto - Chassis Pièces OEM | Recherche schéma d'assemblage Recherche de pièces OEM et inspecteur de diagrammes (Microfiche)
Liste des assemblages (27)
D
Aucun résultat avec le filtre de page appliqué: