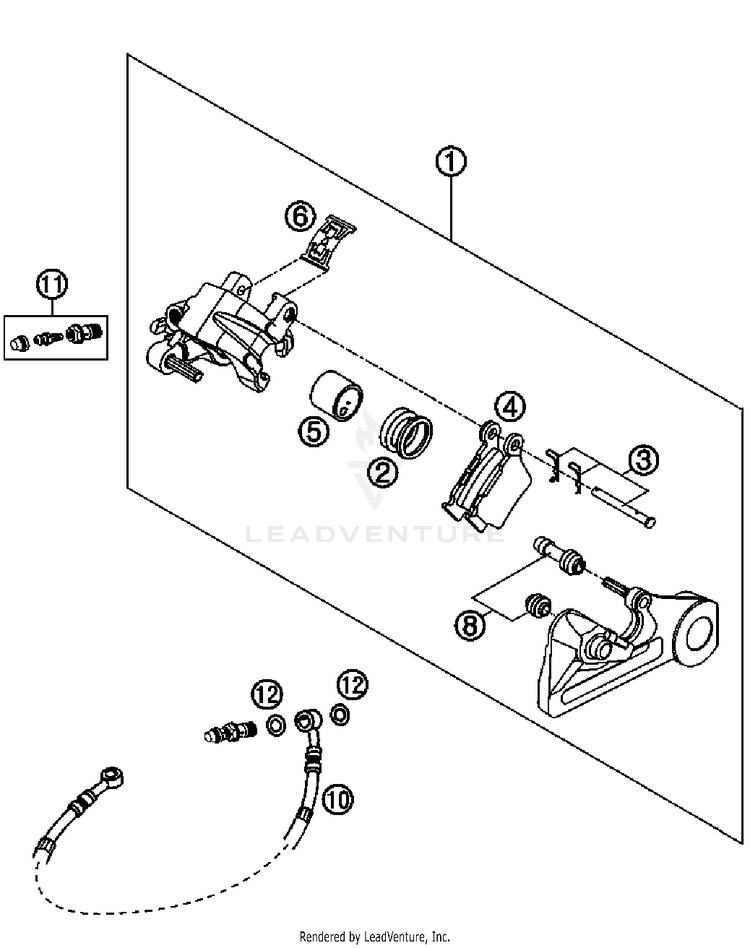
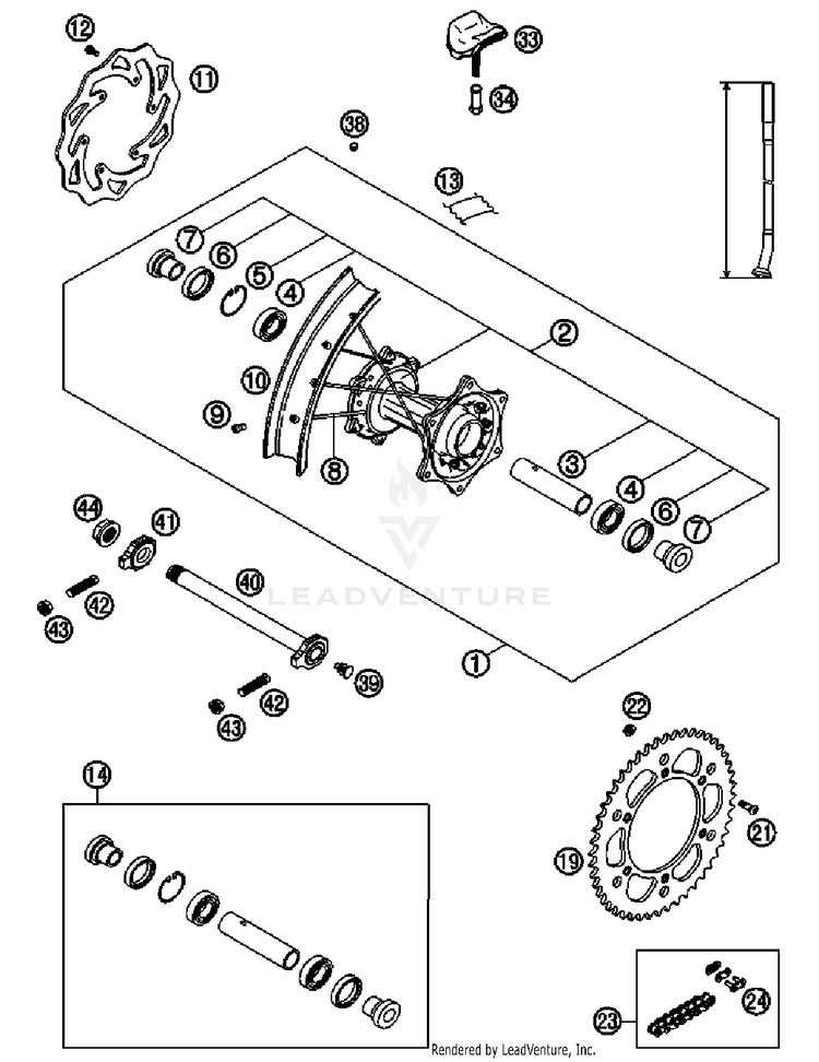
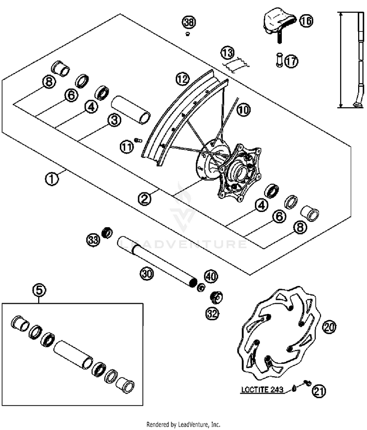
2007 KTM 525 EXC - Racing - Chassis Pièces OEM | Recherche schéma d'assemblage Recherche de pièces OEM et inspecteur de diagrammes (Microfiche)
Liste des assemblages (24)
D
Aucun résultat avec le filtre de page appliqué: