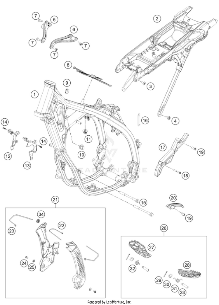
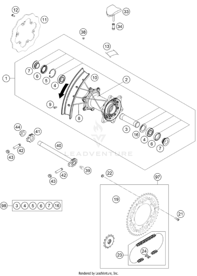
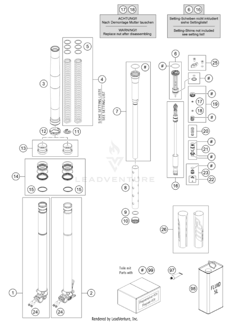
2024 Husqvarna Motorcycles TE300 Pro - Chassis Pièces OEM | Recherche schéma d'assemblage Recherche de pièces OEM et inspecteur de diagrammes (Microfiche)
Liste des assemblages (28)
B
D
F
Aucun résultat avec le filtre de page appliqué: