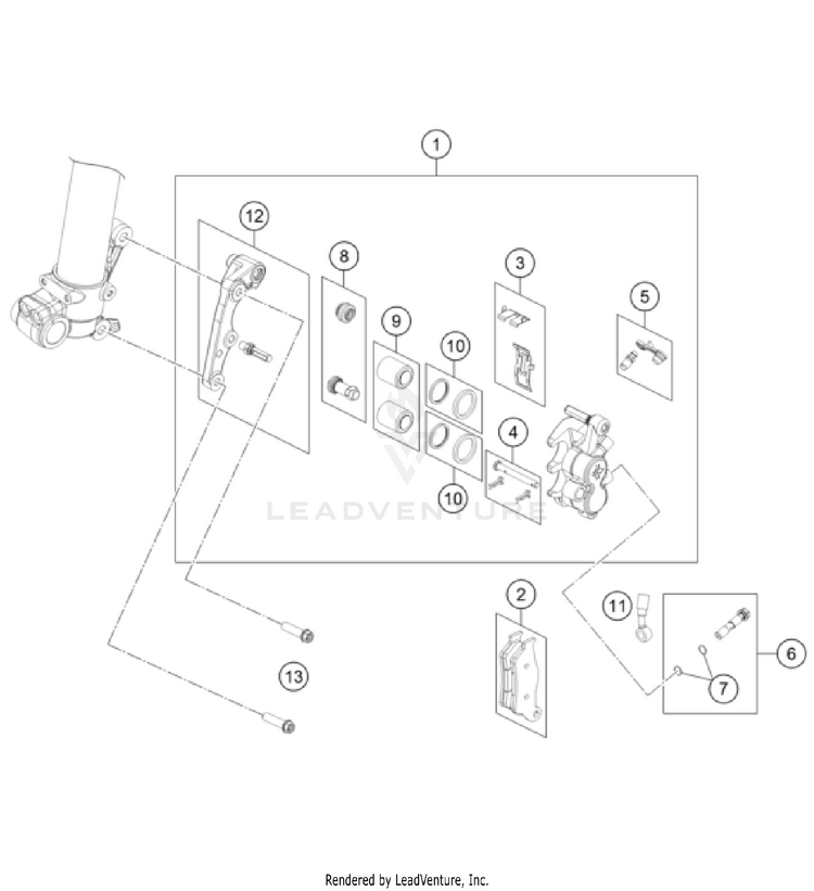
2024 Husqvarna Motorcycles TC85 17/14 - Chassis Pièces OEM | Recherche schéma d'assemblage Recherche de pièces OEM et inspecteur de diagrammes (Microfiche)
Liste des assemblages (20)
D
F
Aucun résultat avec le filtre de page appliqué: