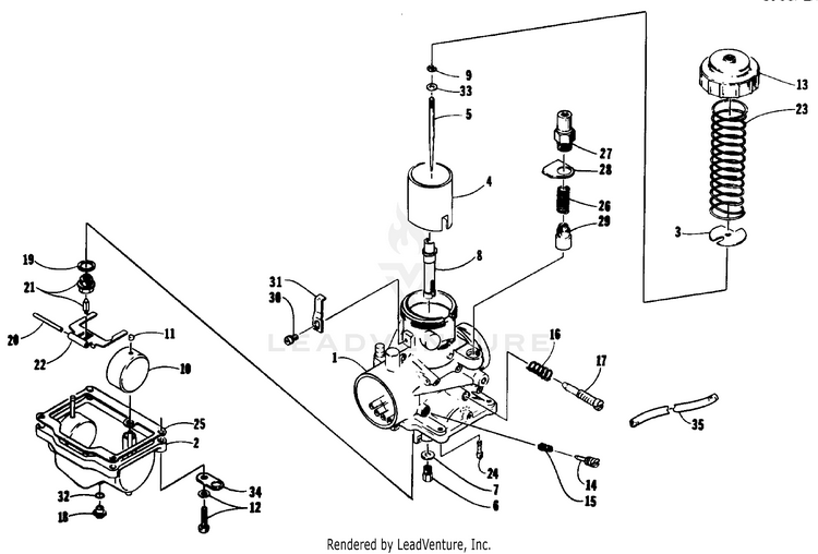
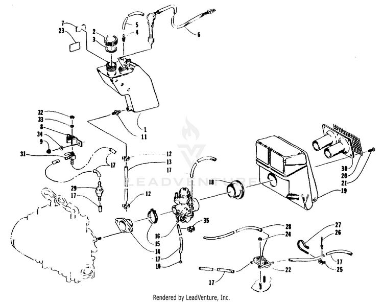
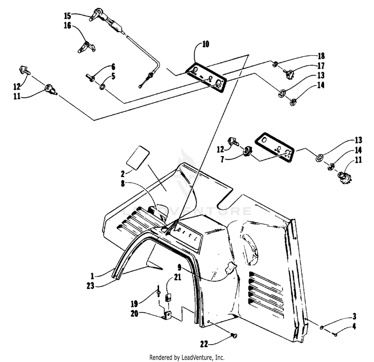
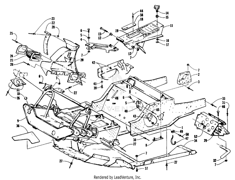
1993 Arctic Cat Panther Deluxe - 0650-240-1993-18-15 Pièces OEM | Recherche schéma d'assemblage Recherche de pièces OEM et inspecteur de diagrammes (Microfiche)
Liste des assemblages (33)
C
D
R
S
Aucun résultat avec le filtre de page appliqué: