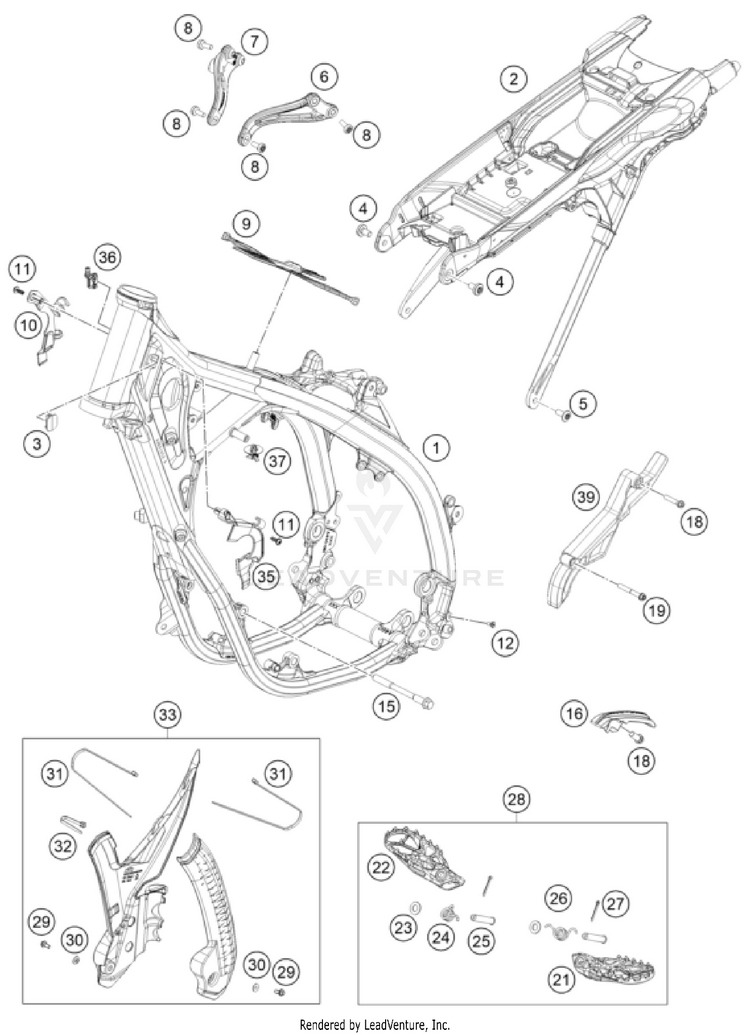
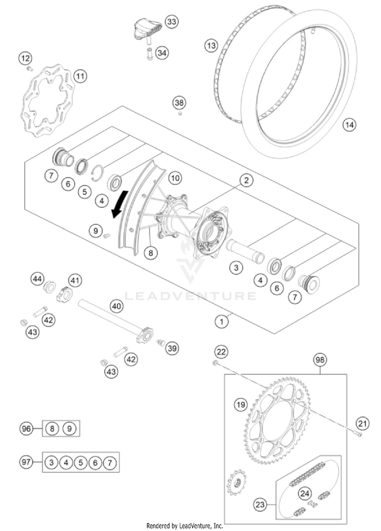
2023 Husqvarna Motorcycles TX300 Heritage - Chassis OEM Parts | Assembly Diagrams Lookup OEM Parts Finder and Diagram (Microfiche) Inspector
Assemblies List (25)
D
F
No results with applied page filter: