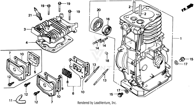
SNOW BLOWER Honda Power HS35 A SNOW BLOWER, JPN, VIN# HS35-1000001 CRANKCASE COVER OEM Parts | Assembly Diagram OEM Parts Finder and Diagram (Microfiche) Inspector

1
MPN/SKU: 11300-883-612
COVER ASSY., CRANKCASE (L-TYPE)
Unavailable
$193.42
          Recommended Quantity: 1

          This part has 1 location on the diagram. It is the recommended quantity, but not a requirement.

          Stock: TBD
          2
          Item # 1821595
          Honda Gasket Cover - 11381-883-800
          Leaves Warehouse: 3 to 4 days
          $15.31
                  Recommended Quantity: 1

                  This part has 1 location on the diagram. It is the recommended quantity, but not a requirement.

                  Stock: TBD
                  3
                  Item # 2070818
                  Honda Cap Oil - 15620-883-010
                  Out of Stock
                  $10.78
                          Recommended Quantity: 1

                          This part has 1 location on the diagram. It is the recommended quantity, but not a requirement.

                          Stock: TBD
                          4
                          Item # 1821947
                          Honda Gasket Oil Filler Cap - 15621-896-010
                          Leaves Warehouse: 3 to 4 days
                          $6.48
                                  Recommended Quantity: 1

                                  This part has 1 location on the diagram. It is the recommended quantity, but not a requirement.

                                  Stock: TBD
                                  5
                                  Item # 1823952
                                  Honda Pipe Oil Filler - 15640-730-010
                                  Leaves Warehouse: 3 to 4 days
                                  $46.56
                                          Recommended Quantity: 1

                                          This part has 1 location on the diagram. It is the recommended quantity, but not a requirement.

                                          Stock: TBD
                                          5
                                          Item # 1823952
                                          Honda Pipe Oil Filler - 15640-730-010
                                          Leaves Warehouse: 3 to 4 days
                                          $46.56
                                                  Recommended Quantity: 1

                                                  This part has 1 location on the diagram. It is the recommended quantity, but not a requirement.

                                                  Stock: TBD
                                                  6
                                                  Item # 1821072
                                                  Honda Dipstick Oil - 15650-730-000
                                                  Leaves Warehouse: 3 to 4 days
                                                  $14.98
                                                          Recommended Quantity: 1

                                                          This part has 1 location on the diagram. It is the recommended quantity, but not a requirement.

                                                          Stock: TBD
                                                          7
                                                          Item # 1359367
                                                          Honda Bolt Flange (6X32) (CT200) - 90017-883-000
                                                          Leaves Warehouse: 3 to 4 days
                                                          $4.17
                                                                  Recommended Quantity: 8

                                                                  This part has 8 locations on the diagram. It is the recommended quantity, but not a requirement.

                                                                  Stock: TBD
                                                                  8
                                                                  Item # 2075978
                                                                  Honda Washer - 90456-883-000
                                                                  Out of Stock
                                                                  $3.28
                                                                          Recommended Quantity: 1

                                                                          This part has 1 location on the diagram. It is the recommended quantity, but not a requirement.

                                                                          Stock: TBD
                                                                          9
                                                                          Item # 2070453
                                                                          Honda Oil Seal (25 x 41 x 6) - 91201-Z0T-801
                                                                          Leaves Warehouse: 3 to 4 days
                                                                          $10.53
                                                                                  Recommended Quantity: 1

                                                                                  This part has 1 location on the diagram. It is the recommended quantity, but not a requirement.

                                                                                  Stock: TBD
                                                                                  9
                                                                                  Item # 2070453
                                                                                  Honda Oil Seal (25 x 41 x 6) - 91201-Z0T-801
                                                                                  Leaves Warehouse: 3 to 4 days
                                                                                  $10.53
                                                                                          Recommended Quantity: 1

                                                                                          This part has 1 location on the diagram. It is the recommended quantity, but not a requirement.

                                                                                          Stock: TBD
                                                                                          10
                                                                                          Item # 1371372
                                                                                          Honda O-Ring (23X2.8) - 94608-50000
                                                                                          Leaves Warehouse: 3 to 4 days
                                                                                          $2.84
                                                                                                  Recommended Quantity: 1

                                                                                                  This part has 1 location on the diagram. It is the recommended quantity, but not a requirement.

                                                                                                  Stock: TBD
                                                                                                  11
                                                                                                  Item # 1372289
                                                                                                  Honda Bearing Radial Ball (6205) - 96100-6205000
                                                                                                  Leaves Warehouse: 3 to 4 days
                                                                                                  $14.22
                                                                                                          Recommended Quantity: 2

                                                                                                          This part has 2 locations on the diagram. It is the recommended quantity, but not a requirement.

                                                                                                          Stock: TBD
                                                                                                          No results with applied page filter: