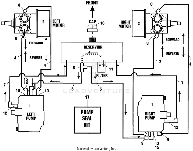
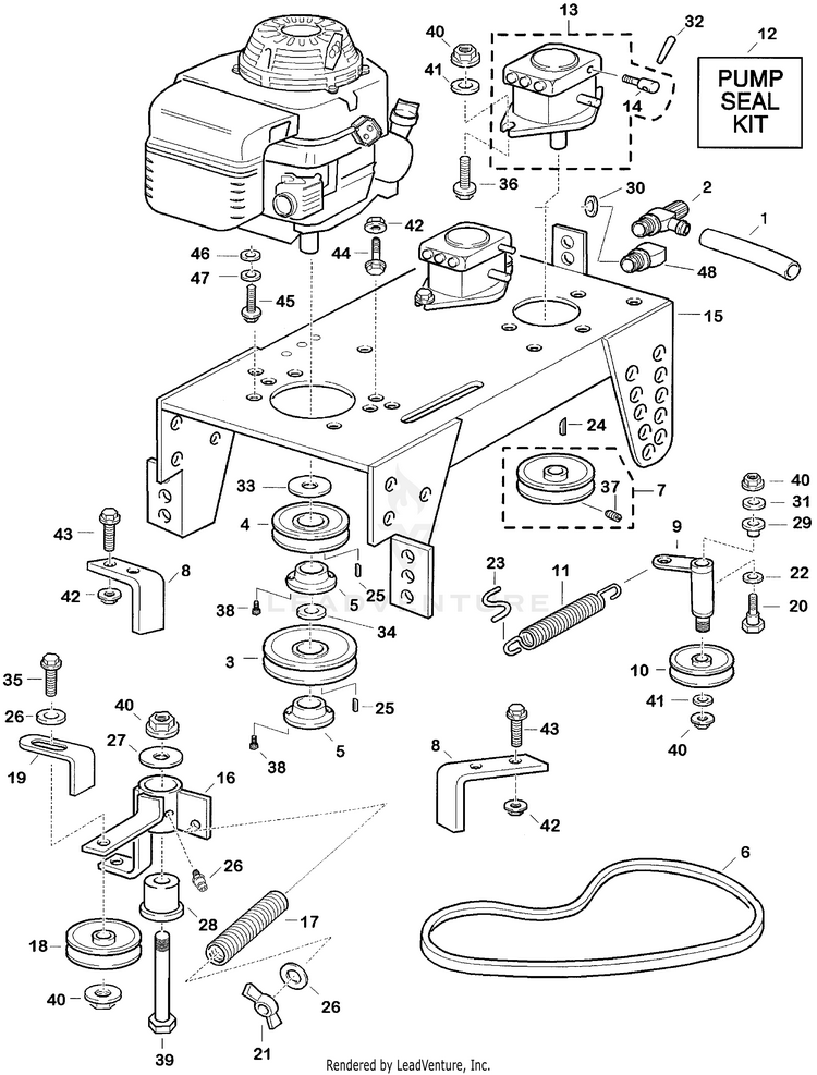
COMMERCIAL MOWER Honda Power HRC7013K1 ZXA COMMERCIAL MOWER, JPN, VIN# CPH1-2000001 TO CPH1-9999999 OEM Parts | Assembly Diagrams Lookup OEM Parts Finder and Diagram (Microfiche) Inspector
        Assemblies List (21)
            No results with applied page filter: