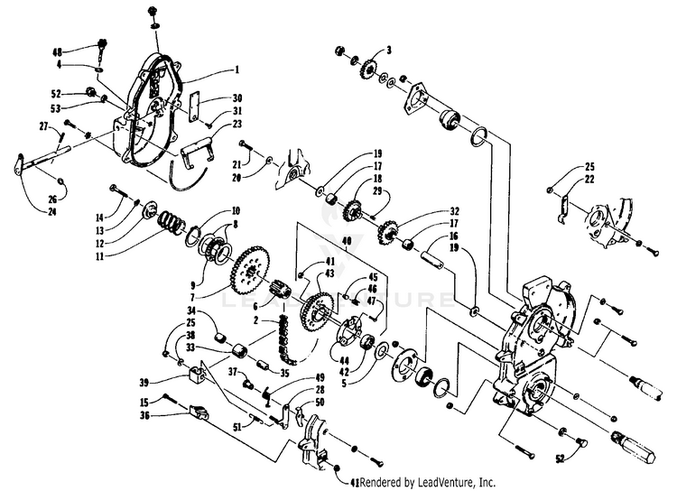
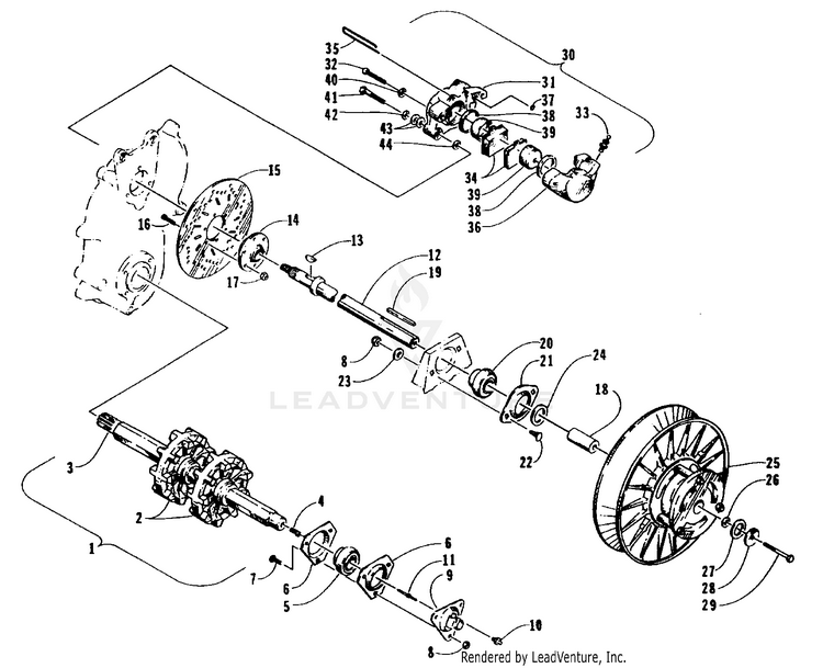
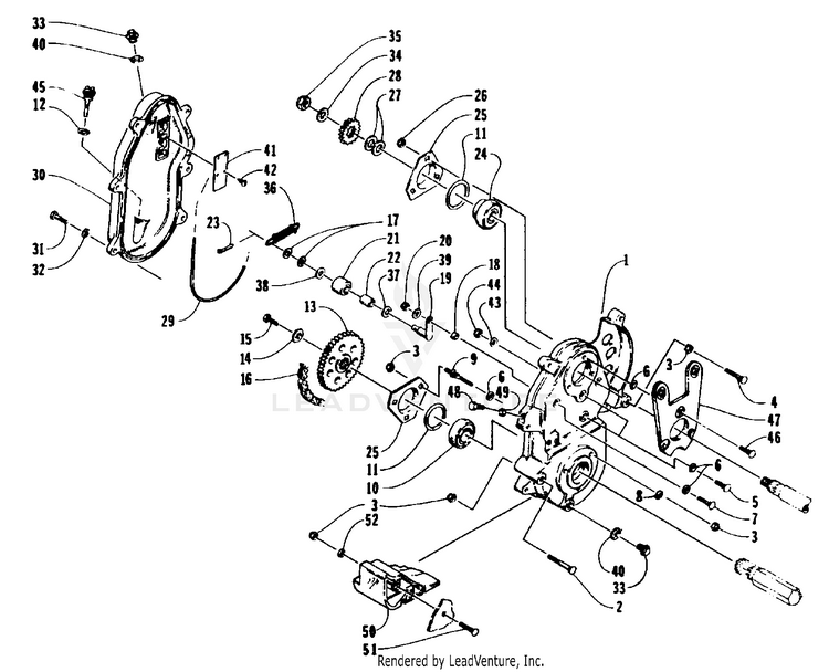
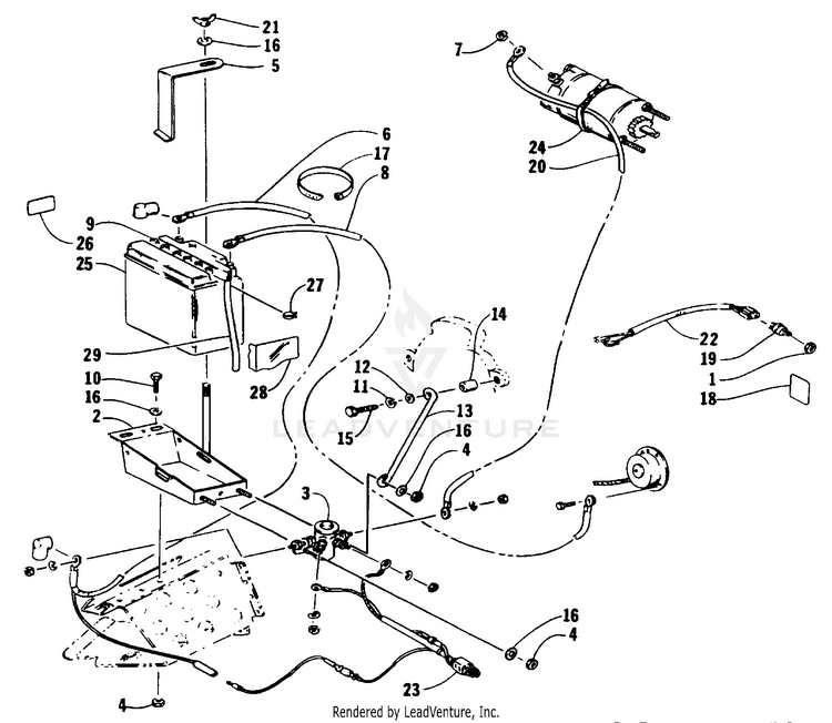
1995 Arctic Cat EXT 580 - 95ETC-1995-20-08 Pièces OEM | Recherche schéma d'assemblage Recherche de pièces OEM et inspecteur de diagrammes (Microfiche)
Liste des assemblages (37)
C
D
E
H
R
S
Aucun résultat avec le filtre de page appliqué: